您好,欢迎访问济南鲁兴包装有限公司
瓦楞纸箱加工企业
是济南市先进的瓦楞纸箱生产厂家
服务热线
137-8981-1666
网站首页
关于mg电玩娱乐在线网址
产品展示
新闻资讯
信息公开
在线留言
联系我们
当前位置 :
主页
>>
新闻资讯
新闻资讯
公司动态
行业资讯
技术知识
环保
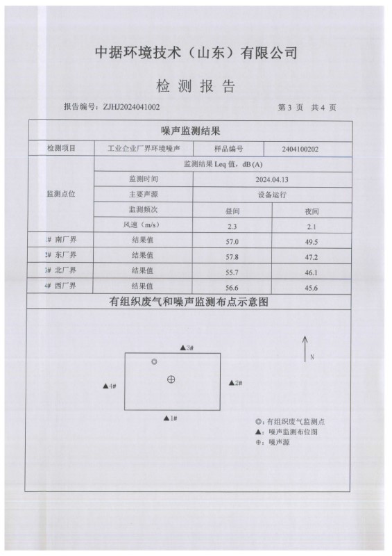
2024年4月检测报告
来源:
www.jnlxbz.com
上一条:
2024年5月检测报告
下一条:
2024年2月济南鲁兴包装手工检测
相关资料
2021年4月环保检测报告
2017年8月环保检测报告
2017年9月环保检测报告
2017年10月环保检测报告
2017年11月环保检测报告
相关产品
牛皮箱板纸
白面牛卡纸
异型箱
瓦楞纸箱
纸托盘
|
网站地图